Produktmerkmale: nema23 integrierter Schrittmotorantrieb
● 32-Bit-Digitaltechnologie
● geringe Vibration, weniger Lärm, Laufruhe
● Interne High Micro-Step- und Smooth-Filterfunktion
● Automatische Anpassung der Motorparameter bei eingeschalteter Stromversorgung
● Die derzeitige variable Technologie bewirkt eine geringe Erwärmung von Motor und Antrieb
● Automatische Reduzierung auf den halben Strom, wenn der Motor statisch ist
● Fahren Sie 4-adrige, 6-adrige und 8-adrige 2-phasige Schrittmotoren
● Optisch getrennter Differenzsignaleingang (Impuls, Richtung, Freigabe)
● Die Impulsantwortfrequenz beträgt 200 kHz (max. 500 kHz).
● Bequem zum Einstellen des Stroms, Auswahlbereich ist 0,1 ~ 2,5 A (Spitze)
● Der Mikroschrittbereich liegt zwischen 200 und 51200
● Unterstützt Überspannungs-, Unterspannungs- und Überstromschutz
Produktanwendungen: Schrittmotorantrieb nema23 integriert
Erfolgreich implementierte integrierte IO42-Steppersysteme in verschiedenen Geräten wie Desktop-CNC-Fräsern, kleinen CNC-Fräsern, Laserschneidern / -gravern, Dentalfräsern, elektronischen Montage- und Inspektionsgeräten, Etikettiergeräten, 3D-Druckern, Bestückungsautomaten, Robotern und XY-Tischen
Produktparameter:
Laufwerksmodell und Auswahltabelle | ||
Laufwerksmodell | IO57-10 | IO57-22 |
Drehmoment halten | 1,0 Nm | 2,2 Nm |
Maximale Stromstärke | 4A | 5A |
Schrittwinkel / Motor polar | 1,8º / 50 polar | |
Bewerbung empfehlen | Bauen Sie nur wenig Platz ein. Der Betrieb ist reibungslos und die Heizung ist schwach | |
Stromspannung | 15 ~ 50VDC, empfehlen 36V, kundenspezifische 15VDC | |
Überspannungsschutzwert | 66vdc ± 2 | |
Steuermodus | 32-Bit-DSP-Vektorregelungstechnologie | |
Puls MAX Frequenz | 200 kHz (Standard ist 150 kHz) | |
Schutzfunktion | Überstrom-, Überspannungs-, Unterspannungsalarm | |
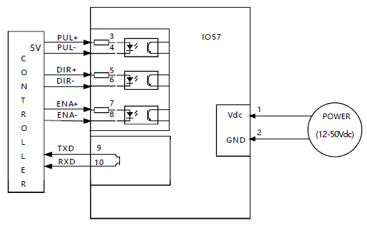
Eingangssignal | Impuls, Richtung, Freigabesignal empfangen Single-End / Differential-Signal, Anschluss elektrisch ist 5VDC, andere elektrische Pegel müssen externen Grenzstromwiderstand anschließen | |
Mikroschritt | Standard 1600 / U, Mikroschritteinstellung über ProTuner oder DIP-Schalter (200-51200) | |
Produktverbindung:
Produkteinstellung:
Aktuelle Einstellung
Spitzenstrom | Effektivstrom | SW1 | SW2 | SW3 |
Standard | 1,5 A (PK) | AUF | AUF | AUF |
2.1A | 1,5A | AUS | AUF | AUF |
2,7A | 1,9A | AUF | AUS | AUF |
3.2A | 2.3A | AUS | AUS | AUF |
3.8A | 2,7A | AUF | AUF | AUS |
4.3A | 3.1A | AUS | AUF | AUS |
4.9A | 3,5A | AUF | AUS | AUS |
5.6A | 4,0A | AUS | AUS | AUS |
Pluse / REV-Tabelle
Pul / REV | SW4 | SW5 | SW6 |
Standard (400) | AUF | AUF | AUF |
800 | AUS | AUF | AUF |
1600 | AUF | AUS | AUF |
3200 | AUS | AUS | AUF |
4000 | AUF | AUF | AUS |
5000 | AUS | AUF | AUS |
6400 | AUF | AUS | AUS |
12800 | AUS | AUS | AUS |
Produktabmessung:

Beliebte label: Schrittmotorantrieb nema23, Hersteller, Lieferant, Fabrik












